Главная / Твердосплавный инструмент / Пластины / Пластины для фрезерования / Пластины для торцевых фрез
Пластины для торцевых фрез
![]() |
![]() |
| |||||||||||||||||||||||||||||
| Type | Dimension (mm) | Grade | |||||||||||||||||||||||||||
| L | I.C | S | d | ||||||||||||||||||||||||||
| TPCW2204PPR | 22,0 | 12,7 | 4,76 | 5,6 | |||||||||||||||||||||||||
| |||||||||||||||||||||||||||||
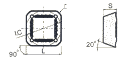
| Type | Dimension (mm) | Grade | |||||||||||||||||||||||||||
| I.C | L | S | r | ||||||||||||||||||||||||||
| SEKR1204AZ-YM | 12,70 | 12,70 | 4,76 | 1,59 | |||||||||||||||||||||||||






