Главная / Твердосплавный инструмент / Пластины / Пластины для фрезерования / Пластины для торцевых фрез
Пластины для торцевых фрез
![]() |
![]() |
![]() |
![]() |
![]() |
| |||||||||||||||||||||||||||||
| Type | Dimension (mm) | Grade | |||||||||||||||||||||||||||
| L=I.C | La | bs | S | ||||||||||||||||||||||||||
| SEKN1204AZ | 12,70 | 9,6 | 2,0 | 4,76 | |||||||||||||||||||||||||
| SEKN1504AZ | 15,875 | 13,0 | 2,0 | 4,76 | |||||||||||||||||||||||||
| ||||||||||||||||||||||||||||||
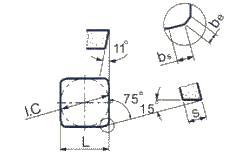
| Type | Dimension (mm) | Grade | ||||||||||||||||||||||||||||
| I.C | L | bs | be | S | ||||||||||||||||||||||||||
| SNKN1204ENN | 12,70 | 12,70 | 1,5 | 2,0 | 4,76 | |||||||||||||||||||||||||
| SNKN1504ENN | 15,875 | 15,875 | 1,5 | 2,0 | 4,76 | |||||||||||||||||||||||||
| SNKN1904ENN | 19,05 | 19,05 | 1,5 | 2,0 | 4,76 | |||||||||||||||||||||||||
| ||||||||||||||||||||||||||||||
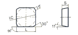
| Type | Dimension (mm) | Grade | ||||||||||||||||||||||||||||
| I.C | L | bs | be | S | ||||||||||||||||||||||||||
| SPKN1203EDL
SPKN1203EDR SPKN1203EDTR |
12,70 | 12,7 | 1,4 | 1,0 | 3,18 |
|
|
|
|
|
|
|
|
|||||||||||||||||
| SPKN1204EDL
SPKN1204EDR |
12,70 | 12,7 | 1,4 | 1,0 | 4,76 |
|
|
|
|
|
|
|||||||||||||||||||
| SPKN1504EDL
SPKN1504EDR |
15,875 | 15,875 | 1,4 | 1,0 | 4,76 |
|
|
|
|
|
|
|
|
|
||||||||||||||||
| SPKN1904EDL
SPKN1904EDR |
19,05 | 19,05 | 2,7 | 1,0 | 4,76 |
|
|
|
|
|||||||||||||||||||||
| SPKN1203EDFL
SPKN1203EDFR SPKN1203EDL SPKN1203EDR |
12,70 | 12,7 | 1,4 | 1,0 | 3,18 |
|
|
|
|
|
|
|||||||||||||||||||
| SPKN1504EDFR
SPKN1504EDL SPKN1504EDR |
15,875 | 15,875 | 1,4 | 1,0 | 4,76 |
|
|
|
|
|
|
|||||||||||||||||||
| |||||||||||||||||||||||||||||
| Type | Dimension (mm) | Grade | |||||||||||||||||||||||||||
| L | I.C | S | bs | ||||||||||||||||||||||||||
| SPEN1906DPR-X | 19,05 | 19,05 | 6,35 | 2,87 | |||||||||||||||||||||||||
| ||||||||||||||||||||||||||||||
| Type | Dimension (mm) | Grade | ||||||||||||||||||||||||||||
| L | I.C | S | bs | be | ||||||||||||||||||||||||||
| SPEN1203EDR-WC | 12,7 | 12,7 | 3,18 | 1,3 | 1,1 | |||||||||||||||||||||||||















