Главная / Твердосплавный инструмент / Пластины / Пластины для фрезерования / Пластины для торцевых фрез
Пластины для торцевых фрез
![]() |
![]() |
![]() |
![]() |
![]() |
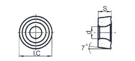
| |||||||||||||||||||||||||||||
| Type | Dimension (mm) | Grade | |||||||||||||||||||||||||||
| L | I.C | S | d | ||||||||||||||||||||||||||
| RCKT1204MO-YH | 12,0 | 12,0 | 4,76 | 4,0 | |||||||||||||||||||||||||
| RCKT1906MO-YH | 19,05 | 19,05 | 6,35 | 6,55 | |||||||||||||||||||||||||
| ||||||||||||||||||||||||||||
| Type | Dimension (mm) | Grade | ||||||||||||||||||||||||||
| I.C | S | d | ||||||||||||||||||||||||||
| RCMT0803MO | 8,0 | 3,18 | 3,4 | |||||||||||||||||||||||||
| RCMT1606MO | 16,0 | 6,35 | 5,2 | |||||||||||||||||||||||||
| RCGT1204MO | 12,0 | 4,76 | 4,2 | |||||||||||||||||||||||||
| RCGT190600 | 19,05 | 6,35 | 6,55 | |||||||||||||||||||||||||
| ||||||||||||||||||||||||||||
| Type | Dimension (mm) | Grade | ||||||||||||||||||||||||||
| I.C | S | d | ||||||||||||||||||||||||||
| RPEW1204MO | 12,0 | 4,76 | 4,4 | |||||||||||||||||||||||||
| RPMW1003MO | 10,0 | 3,18 | 4,6 | |||||||||||||||||||||||||
| RPMW1204MO | 12,0 | 4,76 | 4,4 | |||||||||||||||||||||||||
| ||||||||||||||||||||||||||||
| Type | Dimension (mm) | Grade | ||||||||||||||||||||||||||
| I.C | S | d | ||||||||||||||||||||||||||
| RPEX120400 | 12,0 | 4,76 | 5,5 | |||||||||||||||||||||||||
| RPGT1204MO | 12,0 | 4,76 | 5,5 | |||||||||||||||||||||||||
| |||||||||||||||||||||||||||
| Type | Dimension (mm) | Grade | |||||||||||||||||||||||||
| I.C | S | ||||||||||||||||||||||||||
| SEKN1203AFN
SEKN1203AF TN |
12,70 | 3,18 |
|
|
|
||||||||||||||||||||||
| SEKN1204AFN
SEKN1204AF TN |
12,70 | 4,76 |
|
|
|
||||||||||||||||||||||
| SEKN1205AFN | 12,70 | 5,56 | |||||||||||||||||||||||||
| SEKN1504AFN
SEKN1504AF TN |
15,875 | 4,76 |
|
|
|
||||||||||||||||||||||















